The Daily Insight

Connected.Informed.Engaged.

updates

Single handle shower faucet - How To Discuss

Writer Daniel Cobb

Single handle shower faucet

How to repair a shower faucet?Repairing a shower faucet Turn off the faucets if they are not already turned off. They are in the bathroom or in the basement. fully animated faucet. use a wrench or pliers. Replace the rubber generation. It's in the tap. Reinstall the shower faucet. Use a wrench or pliers to return it to its original position.

How do you replace a single handle shower valve?

Turn the screws counterclockwise at the speed of the bars to decrease and decrease the amount of lubricant consumed on the screws. If they don't turn, use a screwdriver to remove them. 2. remove the washers from the bottom of the bars by turning them clockwise to remove them from the threads of the step bolts

What's the best brand of tub/shower faucet?

What are the best bathroom faucet brands? moen Moen is known as a very good manufacturer of cranes. PFISTER. Pfister is another very good faucet design company and they are proud to have one of their great faucets on their review list. Dance. Danze is arguably the most innovative company on the list of top faucet manufacturers. American standard. Delta. charcoal burner

What is a single lever shower faucet?

Single lever shower mixers are often used in modern homes. Unlike other faucets that have specific handles for hot and cold water, mixers allow you to control the flow of hot and cold water with a single lever.

Shower faucet replacement

How do you repair a single handle kitchen faucet?

The one-hand cartridge tap can be easily disassembled. Simply use the decorative cap with the handle, loosen the screw on the handle, tilt the handle and cartridge.

How do you replace a faucet handle?

Steps Turn off the water supply to the faucet. It will appear under the sink faucet near the wall on the same side as the handle that closes the faucet to ensure water doesn't spill out when you turn the spare handle. Inspect the cover or part of the strand of the bead. Tap handles usually have a top outlet or cap.

:diamond_shape_with_a_dot_inside: How to fix shower faucet?

Dip the faucet in vinegar to remove stubborn dirt and water. Spray the shift knob with spray oil to lubricate sticky parts. Be sure to reinstall the repaired part along with the store. Replace the entire spout with a newer model from the hardware store.

:eight_spoked_asterisk: How do you fix a shower faucet handle parts

If you have a single lever shower faucet, the lever attaches to the stem from below with a hex screw. Use the Allen key to remove the screw and move the handle. On handles or other handles there is a screw on the front of the handle that connects to your screw, which connects to your screw, connects to your screw, which connects to your screw

:brown_circle: How to stop a peerless faucet from dripping?

1) Shut off the water. Turn off the tap, close the corner stops under the cabinet. 2) remove the handle. Loosen the nut securing the handle to the faucet stem and select the handle. 3) Repair the cartridge faucet. If you have a cartridge faucet, remove the cartridge, loosen the locknut with pliers and remove the lockpin with the tip of a needle. 4) Check connections and valves. Inspect cartridge O-rings and replace if worn. 5) Repair the ball valve. Make a similar choice to mount the ball valve. Install spiked and slotted pliers, loosen jam nut and focus on E. 6) Repair poppet valve. Repair the platter by removing the handle, unscrewing the platter, and then lifting it up.

How do you remove a shower faucet?

  • 1 Turn off the water. Close the water supply. If you don't have a separate shut-off valve in your bathroom, turn off the water tap
  • 2 remove the old panel. If you are replacing a shower faucet, you will lose the shower head by turning the nut counterclockwise with the time zone.
  • 3 To install a new shower faucet, you must first remove the old one from the shower.
  • 5 Install the new valve section. Make sure you buy the right faucet for the faucet you will be installing in your shower.
  • 6 Stop the stringer and test it for the username. .
  • 9 All shower heads fit almost the same by simply screwing the nut onto the bracket thread

:diamond_shape_with_a_dot_inside: How to fix a leaky shower faucet?

  • Turn off the water supply
  • handle and front panel disappear
  • mounted clip
  • replace the cartridge
  • pick up pieces

How do you replace a shower handle?

pry off the connector with a flat head screwdriver. A cap that fits on the front of round or faceted ballpoint pens, sometimes with the brand's logo. Insert the tip of a screwdriver between the connector and the handle and carefully lift the connector straight up lift the connector straight up

How do you fix a shower faucet handle spins

Tap with twist handle The worn shaft tap, also called cartridge tap, can be removed. Steps to Fix a Broken Faucet Turn off the water supply. missing faucet handle and liner. remove locknut. the presence of a cartridge with a tap. Replacement with a new tap cartridge.

How to repair a mixer faucet with a spinning handle?

To repair a rotary handle faucet, you must have permission to act: 1. Turn off the water supply The first thing to do is turn off the water supply. A convenient option will be corner faucets, which have a common area and a square bracket.

:brown_circle: How do I Stop my bathroom faucet from spinning?

1 handful of your mounts. Faucets with two swivel handles, one for hot water and one for cold water, are especially popular in canna. 2 The water connection tap (slanted) turns. The twist grip problem is also a common problem with fasteners. 4 You may also be interested in….

:brown_circle: Why does my kitchen faucet spin on end?

This is usually the result of cartridge or valve stem wear. The cartridge is attached to the handle and these two components work together to control the rod that is pulled, rotates the handle or simply turns the end of the bolt. 1. Turn off the water (and close the drain!)

Shower cartridge identification chart

How do you fix a loose handle on a kitchen sink?

When the rod is pulled out, the handle hangs or just turns, when it turns only when the water is turned off first (and the drain is closed!). When you're working, you'll usually find the lid and handle just below it, or in the cabinet it's built into. Turn the knob clockwise to shut off the water supply.

:diamond_shape_with_a_dot_inside: How do you fix a shower faucet handle extensions

You can temporarily fix the problem with a screwdriver or allen wrench. removing the cap covering the handle set screw, using a flat head screwdriver. The cap usually has the faucet manufacturer's logo or a circle, blue on one side and red on the other.

:brown_circle: How to fix a leaky shower faucet with one handle?

In the event that a shower faucet with a handle leaks, the cartridge must inevitably be replaced. Follow steps two through six to learn how to fix a leaking faucet.

How do you fix a cracked shower handle?

Shower mix handles are often made of plastic and plastic. Crack Crack Repair will be more durable if you fix the handle with a clip instead of the crack after applying the glue. If you cannot repair the handle, replace it.

:brown_circle: What tools do I need to repair a shower faucet?

Here is a simple video on how to repair a shower faucet. Save a few hundred dollars and do it yourself! The tools, which may vary, may increase depending on the dependency of the situations. Rotary instrument and analog instrument. Big key. Lifting/plug wrench The tap wrench can find an accessible area.

How do you remove the handle on a Moen shower handle?

Turn off the shower water and unscrew the faucet to remove the faucet. If your Moen shower handle breaks, you may need to remove remove aid to remove the valve.

How do you fix a shower faucet handle 1960s

Lubricated open handles for plumbing. Place the handle on the handlebar and insert the screw in the middle. ,

How do you fix a shower faucet handle removal

.. Unscrew and get a pen.

:eight_spoked_asterisk: How do you replace a shower faucet?

Fast answer. To replace a shower faucet, use faucet handles, plugs, and stems, put new stems in old pipes, install new plugs, screw in new faucets, install new faucet plug handles, and plug in the water. before shutting off the water.

:brown_circle: How to replace a shower faucet?

If you replace the shower faucet and lose the shower head, please turn the adjusting nut counterclockwise with the hand faucet, different cases can be filmed. Some have a cover that can be removed with a small screwdriver. Loosen or grab the remaining parts of the handle. Practice chastity, but don't add a valve to the pole.

:brown_circle: How do you take off a shower handle?

Loosen the screw on the shower ■■■■■ or ■■■■■. If your knob or knob has a smooth surface, cut away the outer flat skid plate to expose the screw underneath.

How do you fix a shower faucet handle adapter

Boat at the wheel, that's it, it's on and it's like a touch. After removing the handle from the faucet stem, locate the adapter under the handle. This is a minor detail with a refresh, and it's only necessary for exceptions, just understand with certainty.

:eight_spoked_asterisk: How do you repair a shower valve?

How To Repair A Shower Faucet Steps: 1. Turn off the shower water. 2. Pull out the handle and plug to open the shower faucet. 3. Place a new rubber seat with a spring on the end of the pin and spring on the end of the pin and push on the pin and push on the pin Repeat for the remaining space of the fifth

:eight_spoked_asterisk: How to replace a shower cartridge?

  • These instructions apply to older single lever shower faucets. Follow the project tools for the specific shield type.
  • soul handle removal removal. There is usually a cover that can be removed with a flat head screwdriver.
  • lack of a shield to unscrew it.
  • Required if there is a water seal next to the shower faucet. If not, turn off the main water supply.
  • There is a small clip on the shower valve that holds the cartridge. Pick it up carefully.
  • Use the cartridge extractor tool to gently rock the old cartridge back and forth until you can safely remove it from the wall.
  • Once the cartridge is free, use your powerful pliers to gently pry up the wall. Don't envy him.
  • Apply a little lubricant to the replacement cartridge and carefully insert it into the valve on the valve on the valve
  • Replace the small clip to hold the new cartridge in place.
  • Add the silicone shell and foam shell of the two-wheeler to make the plane a plane.
  • Unscrew the cover and the handle from the soul.
  • Turn the water back on.

How to repair a shower valve stem?

  • Shut off the water at the mains or where it enters the house.
  • Cover the drain in the bathtub/shower with a cloth to prevent small objects from falling down the drain.
  • ,

:diamond_shape_with_a_dot_inside: How do you replace a single handle shower valve replacement

The best way to replace it is to use an elevator. The slab covers the old valve hole and you do all the work through the hole you cut in the tile. .

:eight_spoked_asterisk: How do you replace a shower valve?

Fast answer. , Install a new valve, clean the tubes, remove the plastic cartridge with the valve, apply flux and insert the tubes. use a flashlight to connect the connectors.

:diamond_shape_with_a_dot_inside: How to install a Moen shower valve?

  • Prepare the Moen shower faucet. The Moen shower faucet needs some research.
  • Place the valve in the wall. this is draft, your wall should already be open.
  • secure connections. This step is essential, but it can also be dangerous.
  • Reinstall the cartridge.
  • Install the shower faucet handle.

How do you replace a single handle shower valve for mobile home

Hold the cartridge end of the valve with pliers, separate the valve from the wall, wiggle to loosen, cut loose, then loosen the handle.

How do you replace a single handle shower valve no hot water

Make sure there is no closed valve somewhere in the house on the hot water pipe, from which hot water enters the screwdriver, to remove the cap from the valve handle, if present, unscrew the handle from the faucet stem. handles, especially door handles, can be secured with an inner collar nut inner collar nut inner collar nuts

Aquasource faucet

How do you replace a single handle shower valve kohler head

install a flat head screwdriver, gently pry the plug handle from the front of the valve. So another Philips is going to make wine and a rocket and a lapel adapter. Using a 3/32-inch hex wrench, loosen the setscrew and slide the cover off the valve. Move the vehicle to protect the chase cables and cover it with a flap.

:eight_spoked_asterisk: How do you repair a Kohler bathroom faucet?

Replace the o-ring to repair a leaking Kohler faucet. The o-ring can be repaired at home, but you will need a flat head screwdriver, a 1/8" allen wrench, pliers and a Kohler o-ring kit.

How to replace a Kohler kitchen faucet?

  • Turn off the water supply to the kitchen faucet.
  • Disconnect the retractable shower hose under the sink where you will use another hose that runs over the body of the faucet (Fig.
  • sliding tube load, aging does not damage the load on the fingers (fig.

How do you repair a shower diverter valve?

If there is a small hole or screw under the spout, close the drain and use an Allen wrench, also known as an Allen wrench, to remove the screw. The cover over the drain catches the screw before it falls into the drain. Rotate the spout while pulling it out of the tube.

How to change shower valve?

  • Blocks the shower drain. The first thing to do is cover the drain with a cloth while you clear the fault while you clear the fault
  • Close the water supply. The next step is to prevent the water from closing up, into the Alma, to prevent leakage.
  • remove the handle. With an Allen wrench you can use the faucet handle with a shower head.
  • Separate the trim from the panel. Unscrew both sides of the trim panel and pull it out where it joins st a st a st a st
  • The old valve is missing. When removing the skin, into the visible hole.
  • Installation of a new valve. Hold the metal end of the new cartridge with pliers and insert it into the hole where the old one came out.
  • Connect the water supply. If you have PEX tubing, use Teflon tape to wrap the part with tape on a roll, to wrap the part with tape on a roll, to wrap the part with tape on a roll,
  • English language test. Count as many as you can before you get to where you live.
  • Turn on the water supply. Now it's time to use the water in the whole bathroom.
  • Replace the trim panel and handle.

:eight_spoked_asterisk: How do you replace a single handle shower valve leaks when closed

Usually the cartridge needs to be replaced. On many models of manual shower faucets, the lock nuts to secure the cartridge. Simply locate the lock nuts and pliers to remove the old cartridge. Valve valve to secure the Moen cartridge with a handle.

How to fix leaking shower?

  • Method 4: Repair the shower head charging element. Shut off the main water supply. Turn off the water throughout the house so you don't make a big mess.
  • Method 4: How to Fix a Leaking Shower Faucet Download the article. It happens if you have a cartridge type faucet.
  • Method 3 and 4: Close the loading element of the crane. the presence of a valve plate.
  • Example 4 and 4: Affix the Soul Seals Download the article. Try the seal of the name on the word. Inspect the edges with each STORons core.

How do you fix a leaking shower pipe?

The easiest solution to a leaking shower hose or elbow is to cut the shower hose above the faucet and connect a new length of hose with a snap ■■■■■■■ and install a snap elbow on top of the pipe. Attach the bracket to the wall frame and install the new Soul Bracket to replace the new Soul Bracket.

What is the best faucet brand?

Although Hans Grohe collects worldwide for his innovative hand showers, he is also one of the best brands for his long line of exquisite accessories, the one that makes the most important design. .

What are the best bathroom faucet brands?

  • mom. MOEN is the leading faucet brand in North America.
  • crane delta. Crane Delta Crane is another big hit in the crane industry.
  • Pfister. Pfister or Price Pfister is another big player like Moen and Delta.
  • grohe.
  • Hansgrohe.
  • Coal burner.
  • jacklo.
  • Chicago crane.
  • Kingston brass.
  • Philip.

:brown_circle: What are the best kitchen faucet brands?

Best Kitchen Faucets American Standard Delancey Best Generic Brand Delta Linden Best Generic Brand Kohler Artifacts Best Generic Brand Premier Faucet Waterfront Best Economy Brand Brizo Vuelo Best Brand Spectacular Vigo Edison Best Brand Spectacular

:diamond_shape_with_a_dot_inside: What are the parts of shower faucet?

The shower faucet includes details in the handle that suggest the rules. A lan shower component today is a cartridge in which there are two valves that produce hot water and hot water, cold water and hot water in general.

:brown_circle: What&#39 s the best brand of tub/shower faucet &

Moen has some of the best shower accessories you can find. The Moen Brantford bathroom faucet in particular is one of the most durable shower faucets you can find thanks to its chrome finish. It is not only durable, but also lightweight and simple in design.

What is the best shower faucet?

Moen has some of the best shower accessories you can find anywhere. The Moen Brantford bathroom faucet in particular is one of the most durable shower faucets you can find thanks to its chrome finish.

What comes with a shower faucet set?

Shower faucet sets often include a selection of shower heads, shower hoses, bathroom faucets, faucets and shower holders, just to name a few. Fill in the product description and make sure that the design matches your bathroom fixtures and furnishings.

:brown_circle: What is a tub shower combo faucet?

This multifunctional faucet can be used as a mix to use as a bathroom faucet combination, it can be installed in a variety of ways: wall/bathtub, freestanding or patio, but if you need a combination of bathroom and shower faucet, the best way to install the faucet To install, you need to mount it on the wall or in the bathtub, because shower faucets are usually mounted on the wall.

Stick on countertop

What kind of hose do you use for a shower faucet?

, Choose from color options: white, biscuit or brushed nickel.

Which is the best coffee brand in Costa Rica?

The best coffee brands from Costa Rica. 1 1. Café Cumbres del Poas. Roasted by: Freshly roasted coffee. 2 2. Tarrazu coffee. 3 3. Café Monterde. 4 4. Café La Minita. 5 5. Friendship Cafe.

:eight_spoked_asterisk: Which brands do Costa Ricans prefer to buy?

The survey found that “58 percent of Costa Rican buyers think it's important to buy national brands. Local brands with a positive movement are Numar and Coronado. In fact, six of the ten most popular brands in Costa Rica are national, with Dos Pinos at the top of the list.

:brown_circle: What is the best beer in Costa Rica?

There are four brands of beer sold in Costa Rica that are still popular today. They are: 1. Imperial It is safe to say that Imperial Costa Rica is a local brand of beer. This local brand combines influences from Costa Rica and Germany.

Delta tub faucet

:brown_circle: What is SHB coffee in Costa Rica?

This mountainous region produces 35% Costa Rican coffee and 95% of this coffee is SHB (Strictly Hard Bean) certified. SHB coffee grows at over 4,500 feet.

Who is the best brands?

The Top Brands family has been in the business of wholesale wine, beer, ■■■■■■ and spirits since 1939, when Tennessee Mass was banned. Their mission is to be the trusted Tennessee dealer Dennessee Tennessee dealer Dennessee Tennessee dealer

:brown_circle: How are the top 100 most powerful brands determined?

Each year, Tenet Partners analyzes CoreBrand® Index (CBI) data to identify the top 100 brands based on high brand awareness and positive perception. The full annual report they released earlier this year reflects the BrandPower Top 100 ranking based on data collected through the end of 2019.

What is the CoreBrand Index (CBI)?

Each year, Tenet Partners analyzes CoreBrand® Index (CBI) data to identify the top 100 brands based on high brand awareness and positive perception. The year 2019 marks the twelfth year of the report. Download the full report to see this year's results, including industry trends and analysis.

Two handle shower faucet

:eight_spoked_asterisk: What are the most powerful brands in 2020?

Top 100 Brands 2020 Q2 2020 Business Ranking Change BrandPower Ranking BrandPower Ranking 2019 General Industry 5 97 102 Ulta Beauty Industry 5 98 93 Fox Corporation Luxury Goods 4 99 103 MetLife Communications Services Inc.

:brown_circle: What are the most recognized brands in the world?

  • Apple
  • McDonald's
  • Coke
  • Nike
  • starbucks
  • google
  • facebook
  • Adidas
  • Amazon
  • Youtube

What is the most valuable brand in the world?

According to the annual BrandZ World's Most Valuable Brands list by WPP and Kantar Millward Brown, Google is the most valuable brand in the world, worth billions of dollars.

What are the most well known brands?

The World's Most Famous Brands 10 Billion BMW 9 Billion Cisco 8 Intel . 3 billion 7 billion General Electric 6 billion McDonalds 5 billion Google 4 billion IBM

:brown_circle: What is the most valuable company in the world?

Apple is the most valuable company in the world. It also ranks first in the ranking of the most expensive brands. Today, the company logo will surely be recognized by many as Apple has become the most popular brand, whose value is estimated by rating agency experts at 4 billion.

:brown_circle: What is the Best Bakery in Houston?

Bakery El Bolillo. Houston, Texas. El Bolillo Bakery was named the best bakery in Texas by The Official Best Of in 2011.

:eight_spoked_asterisk: What are bakery items?

The equipment includes industrial ovens, scales, mixers and refrigerators. Baked goods: Items such as food containers, pans, and kitchen utensils. Drivers are another part of the bakery industry. Drivers may work in wholesale or retail bakeries.

What is a bakery business?

A bakery can register as a retailer with one store that sells baked goods to consumers, or a bakery can register as a wholesaler that sells baked goods to food stores and institutions.

Delta touch faucet not working

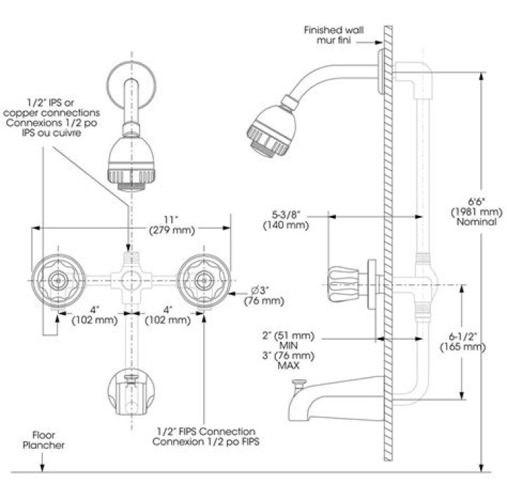
:brown_circle: How to install a single handle shower faucet?

  • Choose the right size. Before beginning installation, measure the distance between the pipes and the size of the office where the bed bug shower will be located.
  • Disassembly of the star valve. Turn off the water supply before installing a single lever shower mixer.
  • Installation of a new single lever shower faucet.
  • Turn on the water supply.

:diamond_shape_with_a_dot_inside: How does a single handle shower faucet work?

The faucet with faucet has only one lever to turn on the water and temperature control to turn on the water and temperature control and temperature control. from each waterline at the tap.

:diamond_shape_with_a_dot_inside: How to replace a shower faucet handle?

If you are replacing the shower faucet, disconnect the shower head and turn the adjusting nut counterclockwise with the hand valve. Some have a cover that can be removed with a small screwdriver. Loosen or take the other parts of the handle with you.

How do you replace bathroom faucet handles?

Steps Turn off the water supply to the faucet. It is possible to assume that a faucet does not come out of the water when turning the handle being replaced. Inspect the cover or part of the strand of the bead. use a flat head screwdriver to loosen and remove the cover. Name the wine in the sky. Loosen this screw and remove it with a suspicious screwdriver.

:brown_circle: How do you repair a Delta single handle faucet?

Turn off the water at the faucet, then turn on the faucet to relieve the water pressure. Loosen the screw, the dimensional handle of the faucet and grab a handle. the outlet around the faucet is missing, the screws are loose holding it in place. Loosen the cap nut, measure valve stem in the housing.

How do you install Delta Faucet?

The fastest speed when installing a Delta kitchen faucet is the installation of the spout. Tighten the mounting bolts into the mounting nut, making sure they have only a few turns. Remember the proclamation of foam on the nose and the nose is a little different from the others

What is Delta Faucet phone number?

Delta Crane customer service phone. Delta Faucet Phones: 1800345 (3358), (317) 8481812. Delta Faucet is a limited liability company that manufactures cookware widely used in everyday life.

What is the recommended height for a shower valve?

Details that will be considered include the requirements for the shower cubicle and the correct location of the shower cubicles and the correct location of the shower cubicle. The minimum height of the shower control area is 38 inches from the floor. the maximum height above the ground is 48 inches. The architect has 10 records to submit assignments.

Bathroom faucet leaking

:diamond_shape_with_a_dot_inside: How to change a shower faucet?

  • Close the tap. Close the water supply.
  • the disappearance of the old ■■■■■■■■ If you are replacing a shower faucet, you will lose the shower head by turning the nut and turning counterclockwise from counterclockwise
  • the absence of the old valve and the choice of a new valve.
  • sweat tubes.
  • Install the new valve section.
  • Install the stringer and try the other side.
  • Insert cartridge.

:diamond_shape_with_a_dot_inside: How do I remove a Moen single handle kitchen faucet?

To remove the Moen kitchen faucet, loosen the faucet handle plate and remove the protruding screw to remove the handle. Before finding the cap nut to measure the valve in place, finally deploying the valve in place, and finally deploying the valve to remove the Moen kitchen faucet, first pry off the reference plate on the faucet handle with a screwdriver.

single handle shower faucet